スーパーファン S-25 (1枚羽根)

スーパーファンS-25
小型船舶用 強力吸・排気扇

●機関の燃焼効率を高めエンジン快調!!
エンジンルームに新鮮な空気を送り込み酸欠を防ぎ、 エンジントラブルをなくす最新型ファンです。

・実用新案登録 第1565463号 ・意匠登録 第524569号

SUPER FANは新開発の分布曲線補正板付羽根・増圧風向制御板の採用で小型ながら 大容量の吸・排両用機能で、エンジンルーム内はいつもリフレッシュされ、機関 の燃焼効率を高めると共に、室内温度の低下による各駆動部の損耗を防止し、排ガス による健康阻害や生ガスの爆発等、災害防止にも役立ちます。 又S-25・S-50型は緊急時ワンタッチで開孔部を密閉出来るなど、スーパーファンの 採用による経済効果は、大きな利益を生み出します。



■特長

●分布曲線補正板つきの羽根及び増圧風向制御板の採用により約31〜82・/分の吸・排気量を確保 することに成功。しかもMTH樹脂製なので高温にも強くねじれなどによる変型のおそれはありません。
●ナニワ独自の構造は、海水の侵入を防ぎ、S-25・50型は緊急時の開孔部閉鎖はワンタッチで出来、開閉式換気窓の操作で節電運転が可能です。
●ベアリング入回転軸使用モーター(27・28・100MHz、144〜170MHz、100KHz、無線雑音防止装置付)の採用で静かでスムーズな運転が出来ます。
●外装は最高級のABS樹脂製で傷がつきにくく、いつまでも美しく塗装の必要もありません。勿論各部に配した適当な材質は錆びる心配もありません。


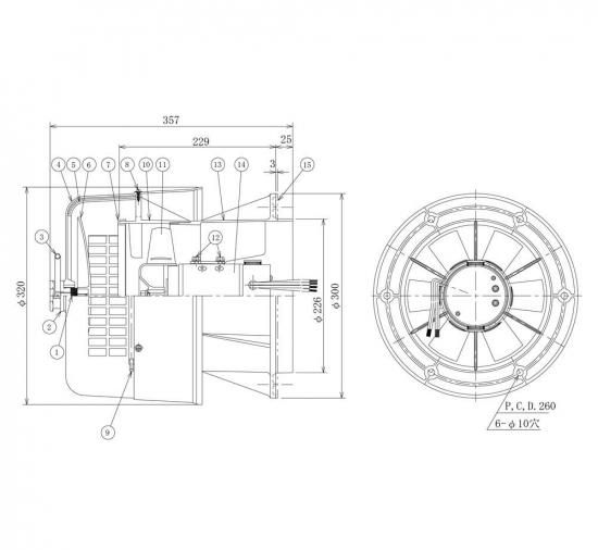
■サイズ
高さ:357mm
カバー幅:320mm
土台底辺:300mm
※詳しくは画像をご確認ください

 ======================
スーパーファンは排気でご使用いただくことを推奨いたします。
吸気で使用した場合、海水などがかかり、モーターに支障を来す恐れがございます。
またご使用の際にエンジンルームは自然換気口で新しい空気を取り込むように行ってください。
 ======================
販売価格 71,500円(税込)
型番 S-25

カテゴリーから探す

グループから探す

コンテンツ

モバイルショップ